Contrôleur TMCM-3315

controleur, module trinamic

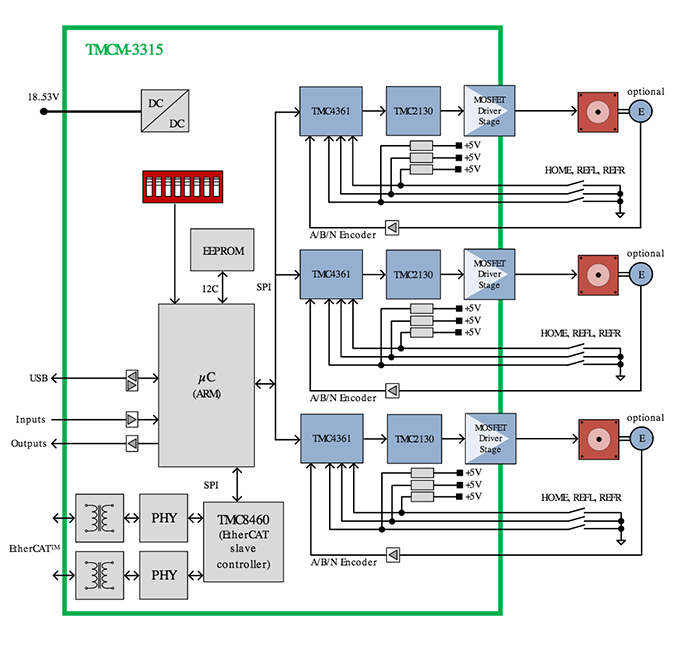
TMCM-3315

Principales fonctions :
  • Protocoles : CoE
  • Tension d'alimentation : 18...53V
  • Courant : 9,2A
  • Interfaces : EtherCAT, USB
Interfaces EtherCAT, USB
Protocole CoE
Largeur 280mm
Longueur 100mm
Rampe de vitesse S-shaped, sixPointTM
Microsteps 1...256
Type de moteur Pas à pas
Fonctionnalités stallGuard2TM, coolStepTM, spreadCycleTM, stealthChopTM, Closed loop control, closed loop control
Courant crête 9,2A
Courant RMS 6,5A
Nombre d'axes 3
Tension d'alimentation 18...53V
Diagramme